GEFRAN杰弗倫TH稱重傳感器
詳情
GEFRAN-TH稱重傳感器。意大利GEFRAN TH稱重傳感器又稱載荷傳感器、力傳感器等。TH稱重傳感器采用單壓式設計,測量量程從5~20KN,精度等級為±1%,不銹鋼殼體材質耐腐蝕、防護等級IP65.GEFRAN TH稱重傳感器常用于壓縮形式的載荷測量。適合靜態測量和動態測量。傳感器供電電壓最大30VDC、2倍滿量程超壓。
GEFRAN TH壓力傳感器采用優質材料制成,并且通過了歐洲質量體系認證。GEFRAN TH壓力傳感器/變送器在工廠通過了各種環境測試,例如超壓測試、疲勞測試、電氣穩定性測試等。
主要特征:
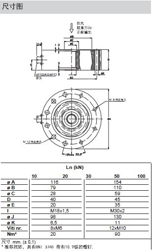
1.可測量范圍:從10到100kN
2.精度等級:0.1%
3.全部不銹鋼結構
4.防腐蝕
5.內部自校準信號
6.保護等級:IP65


更多資料及信息請點擊關鍵詞:杰弗倫傳感器
人才引進
產品分類
Update Required
To play the media you will need to either update your browser to a recent version or update your Flash plugin.