GEFRAN杰弗倫TKDA壓力傳感器
詳情
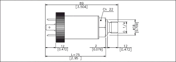
GEFRAN-TKDA壓力傳感器。意大利GEFRAN TKDA壓力傳感器又稱壓力變送器、壓力探頭、壓力感應器等。GEFRAN TKDA壓力傳感器精度±0.5%、傳感器壓力量程0~1000bar、本質無限分辨率、傳感器供電電壓最大30VDC、2倍滿量程超壓。GEFRAN TKDA壓力傳感器采用優質材料制成,并且通過了歐洲質量體系認證。
GEFRAN TKDA壓力傳感器/變送器在工廠通過了各種環境測試,例如超壓測試、疲勞測試、電氣穩定性測試等。

杰弗倫現貨型號:
PY2-F-010-S01M GEFRAN 現貨
PY2-F-025-S01M GEFRAN 現貨
PY2-F-050-S01M GEFRAN 現貨
PY3-F-010-S01M GEFRAN 現貨
PY3-F-025-S01M GEFRAN 現貨
PY3-F-050-S01M GEFRAN 現貨
TK-N-1-E-B05C-H-V GEFRAN 現貨
PR65-B-0-472 GEFRAN 現貨
更多資料及信息請點擊關鍵詞:杰弗倫傳感器
人才引進
產品分類
Update Required
To play the media you will need to either update your browser to a recent version or update your Flash plugin.