GEFRAN杰弗倫PZ67-A直線位移傳感器
詳情
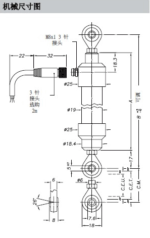
GEFRAN【PZ67-A】直線位移傳感器又稱電子尺、電阻尺等。GEFRAN PZ67-A拉桿式直線位移傳感器,防護等級高達IP67,適用于惡略潮濕、高粉塵、室外的等環境使用。GEFRAN PZ67-A直線位移傳感器采用拉桿式設計,配合萬向節安裝。PZ67-A拉桿式位移傳感器獨立線性度為±0.5%FS,量程從25~300mm可選。位移速度小于5m/s、殼體材料使用不銹鋼材質、最大供電電壓可達60VDC、電阻公差±20%。



更多資料及信息請點擊關鍵詞-杰弗倫傳感器
人才引進
產品分類
Update Required
To play the media you will need to either update your browser to a recent version or update your Flash plugin.