杰弗倫PY3直線位移傳感器
詳情
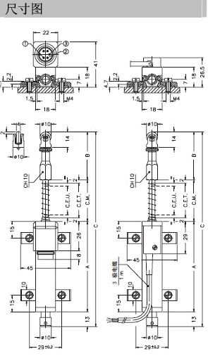
GEFRAN PY3滾珠式直線位移傳感器又稱電子尺、電阻尺等。GEFRAN PY3直線位移傳感器,電器可選電纜線以及街頭等連接方式。采自帶回彈式設計,頂部采用滾珠方式。量程50~100mm、獨立線性度±0.5%、防護等級IP65、位移速度>5m/S、最大供電電壓60vdc、重復性0.01mm、本質無線分辨率。GEFRAN PY3直線位移傳感器使用環境溫度-30~100°C、殼體材料使用不銹鋼材質、電阻公差±20%。GEFRAN PY3直線位移傳感器內部碳膜電阻涂層,配合電刷滑動實現電阻變化,從而轉換為位移量。



更多資料信息請點擊關鍵詞-杰弗倫傳感器
人才引進
產品分類
Update Required
To play the media you will need to either update your browser to a recent version or update your Flash plugin.