杰弗倫LT系列線性位移傳感器
詳情
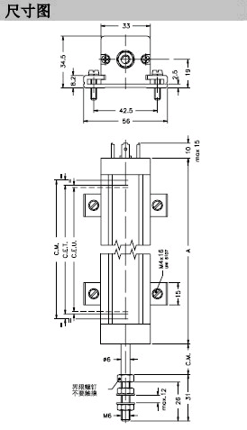
GEFRAN杰弗倫LT拉桿式位移傳感器又稱電子尺、電阻尺等。GEFRAN LT拉桿式直線位移傳感器,采用內部碳膜電阻涂層,配合電刷滑動實現電阻變化,從而轉換為位移量。GEFRAN LT直線位移傳感器采用拉桿式設計,配合萬向節安裝。LT拉桿式位移傳感器獨立線性度為±0.5%FS,量程從50~900mm可選。位移速度小于5m/s、殼體材料使用不銹鋼材質、最大供電電壓可達60VDC、電阻公差±20%。
主要特征:
1、改良型設計滿足各種條件下可靠測量的需求。
2、傳感器兼顧耐用,抗振性更強。
3、超出理論電氣行程生無電氣信號輸出變化,安裝更簡單。
4、采用新型槽口設計,傳統支架式固定系統的理想替代方案。
主要特征:
1、改良型設計滿足各種條件下可靠測量的需求。
2、傳感器兼顧耐用,抗振性更強。
3、超出理論電氣行程生無電氣信號輸出變化,安裝更簡單。
4、采用新型槽口設計,傳統支架式固定系統的理想替代方案。
5、廣泛適用于塑料成型機、立式壓力機和其他生產設備。


更多資料請點擊關鍵詞-杰弗倫傳感器
人才引進
產品分類
Update Required
To play the media you will need to either update your browser to a recent version or update your Flash plugin.