SAMSON閥門定位器4746型產品技術介紹
- 2019-05-28 15:50:00
- 俞福任 原創
- 3493

特點
電動/氣動限位開關
可選設備,帶有兩個電感,兩個電氣或兩個氣動限位開關
外殼由鋁制成
根據IEC 60534-6,SAMSON 4763型或4765型定位器連接直線執行器
切換精度高
對內置限制觸點沒有相互影響
行程差速(反向跨度)取決于有效的杠桿長度
操作要求:
- 該設備只能由參與裝配,調試和維護的合格人員使用熟悉,安裝和調試本產品的操作。這些安裝和操作說明意義上的合格人員是由于
他們的專業培訓,知識和經驗以及他們的知識相關標準,評估分配給他們的工作和可能的工作認識到危險。
- 對于采用防爆設計的設備,必須對人員進行培訓或指導或授權在防爆設備上工作在潛在爆炸性系統中。
- 由流動介質,信號壓力和移動引起的與控制閥相關的危險通過采取適當措施可以防止分享。
- 如果氣動驅動裝置中的供氣壓力高度導致不允許的運動或者,供氣壓力必須通過合適的減壓站有限。
- 需要適當的運輸和專業存儲設備。

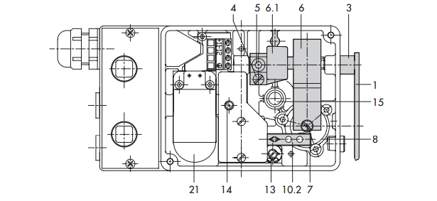
電氣氣動定位器用于分配閥門位置(控制變量)和控制信號(參考變量)。它是一個控制和調節裝置即將到來的啟動信號控制閥的行程與氣動相比較控制驅動壓力(輸出)。定位器由電動氣動裝置組成轉換器單元(21)和帶杠桿(1),軸的氣動部件(1.1)和彈簧和控制系統帶噴嘴,擋板和放大器。那個控制裝置即將到來的控制信號(輸入信號),來自的直流信號。 B. 4至20mA,應用于電動氣動變壓器單元(i / p轉換器)在比例壓力信號中引導并存在pe形成。隨著改變的電流信號變化也與氣動成正比控制系統提供氣壓pe。空氣壓力pe依次產生測量膜片(8)的力量比較彈簧(6)的力。測量膜片(8)的運動傳遞在手寫筆(9.1)上擋板(10.2)和噴嘴(10.1)是驅動。氣壓變化pe或閥門位置引起壓力下游噴嘴的變化放大器(12)并有控制設定壓力pst會導致塞桿與參考變量對應的位置占據。
更多產品信息請點擊:SAMSON閥門定位器